13a2775s000 parts diagram

30 Yard Machine 42 Inch Deck Belt Diagram - Wiring Diagram List. 9 Pictures about 30 Yard Machine 42 Inch Deck Belt Diagram - Wiring Diagram List : MTD 13A2775S000 (2013) Parts Diagram for Mower Deck, Mtd model 13A2775S000 lawn, tractor genuine parts and also MTD 13A2775S000 (2013) Parts Diagram for 4P90JUB Carburetor Assembly.

30 Yard Machine 42 Inch Deck Belt Diagram - Wiring Diagram List

30 Yard Machine 42 Inch Deck Belt Diagram - Wiring Diagram List skippingtheinbetween.blogspot.com

lawn mtd partstree

MTD 13A2775S000 (2015) Parts Diagram For Engine Accessories MTD P90

MTD 13A2775S000 (2015) Parts Diagram for Engine Accessories MTD P90 www.jackssmallengines.com

engine mtd lt p90 diagram parts accessories huskee

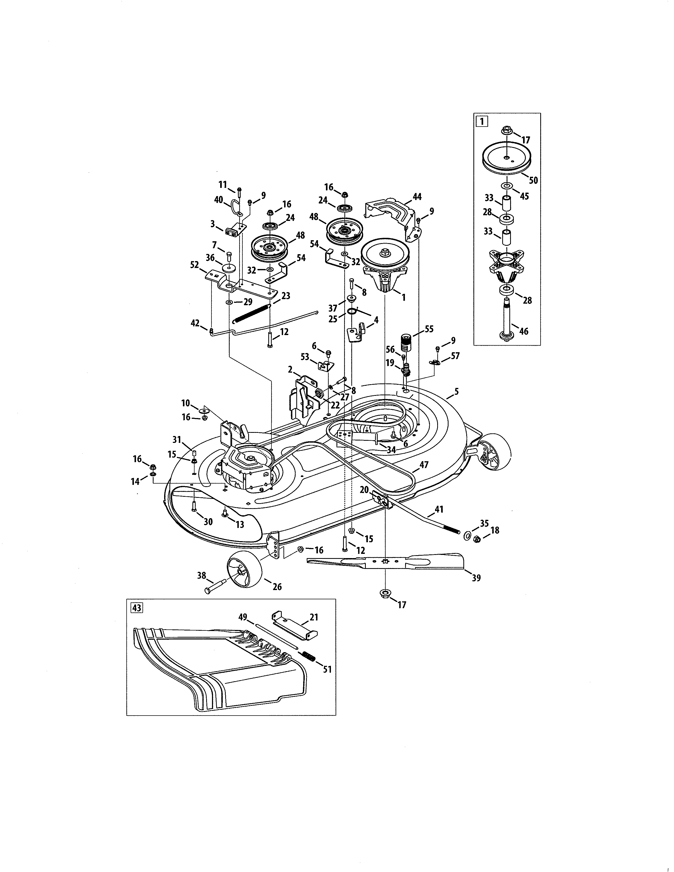
MTD 13A2775S000 (2015) Parts Diagram For Mower Deck 42-Inch

MTD 13A2775S000 (2015) Parts Diagram for Mower Deck 42-Inch www.jackssmallengines.com

intake air mtd yard lawn parts diagram lt tractor mower carburetor diagrams machines r1000 engine deck assembly inch huskee husky

Parts For Yard Machines 13A2775S000 / 2015 Lawn Tractor

Parts for Yard Machines 13A2775S000 / 2015 Lawn Tractor www.appliancepartspros.com

parts yard machines tractor lawn ignition craftsman appliancepartspros assembl engine electr muffler starter

Mtd Yard Machine Carburetor Diagram - Drivenheisenberg

Mtd Yard Machine Carburetor Diagram - Drivenheisenberg drivenheisenberg.blogspot.com

mtd tractor craftsman yardman wiring yardworks carburetor ereplacementparts ez3 drivers partstree hechinger huskee cadet mtdparts

MTD 4P90JU Engine Parts Diagram For 4P90JU Starter Assembly

MTD 4P90JU Engine Parts Diagram for 4P90JU Starter Assembly www.jackssmallengines.com

starter assembly engine mtd bilt troy tb30 neighborhood rider diagram parts deck lt4200 mower inch crankcase unable disabled javascript cart

Mtd Model 13A2775S000 Lawn, Tractor Genuine Parts

Mtd model 13A2775S000 lawn, tractor genuine parts www.searspartsdirect.com

deck mtd parts lawn tractor number seat

MTD 13A2775S000 (2013) Parts Diagram For Mower Deck

MTD 13A2775S000 (2013) Parts Diagram for Mower Deck www.jackssmallengines.com

mower deck diagram mtd parts yard lawn machines cub cadet unable disabled javascript cart diagrams

MTD 13A2775S000 (2013) Parts Diagram For 4P90JUB Carburetor Assembly

MTD 13A2775S000 (2013) Parts Diagram for 4P90JUB Carburetor Assembly www.jackssmallengines.com

carburetor lt4200 diagram mtd parts assembly huskee yard lawn machines cadet cub diagrams unable disabled javascript cart tractors manufacturer models

Deck mtd parts lawn tractor number seat. Mtd 13a2775s000 (2015) parts diagram for mower deck 42-inch. Parts yard machines tractor lawn ignition craftsman appliancepartspros assembl engine electr muffler starter