1986 chevy truck vss diagram

Its a 1983 Chevy C10 350 V8 After driving a while, it dies. 11 Pics about Its a 1983 Chevy C10 350 V8 After driving a while, it dies : Chevy trucks, 1963 chevy truck, Chevy, 1989 GMC SLE TBI 350 5.7 Runs terrible when hook to computer Page5 and also 1989 GMC SLE TBI 350 5.7 Runs terrible when hook to computer Page5.

Its A 1983 Chevy C10 350 V8 After Driving A While, It Dies

Its a 1983 Chevy C10 350 V8 After driving a while, it dies www.justanswer.com

350 chevy c10 1983 v8 line truck wire dies driving while 4bbl separators its chart looking 1973

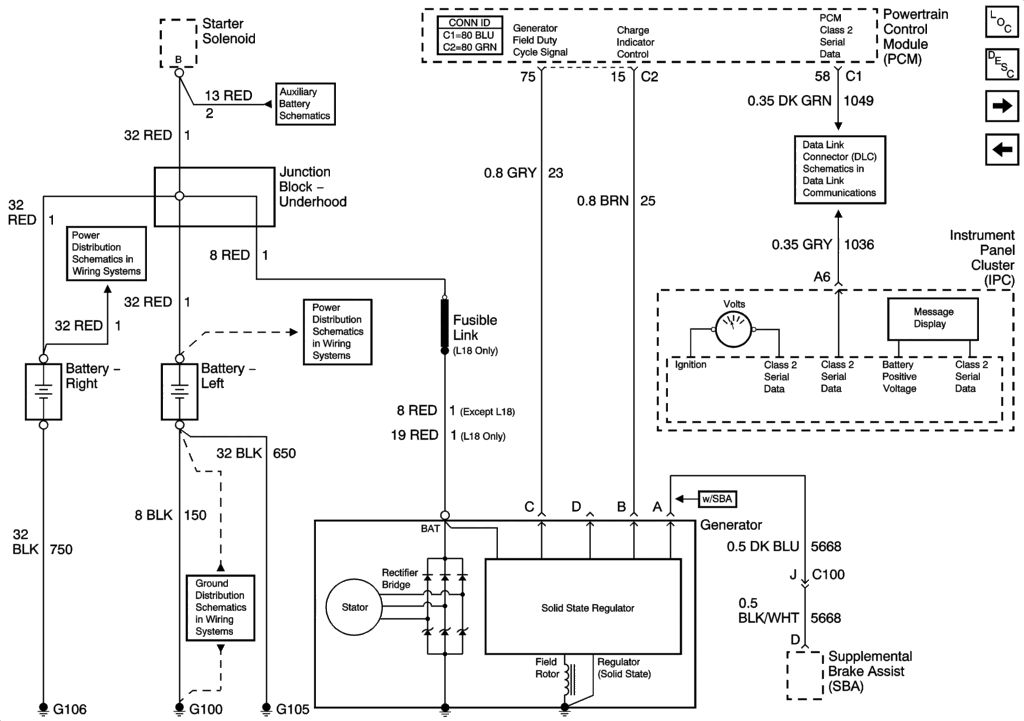
I Have A 1989 Chev 1500 Truck With A 4.3. The Motor Went Bad I Bought

I have a 1989 chev 1500 truck with a 4.3. the motor went bad I bought www.justanswer.com

oldsmobile bravada justanswer 1991 diagram 1500 chart 1989 tps k1500 circuit code

64 Chevy C10 Wiring Diagram | Chevy Truck Wiring Diagram | 64 Chevy

64 chevy c10 wiring diagram | Chevy Truck Wiring Diagram | 64 Chevy www.pinterest.com

wiring

Chevy Trucks, 1963 Chevy Truck, Chevy

Chevy trucks, 1963 chevy truck, Chevy br.pinterest.com

c10

My Chevy Pick-up 1997 With A 5.7 Enigine Stall Every Now And Then And

My chevy pick-up 1997 with a 5.7 enigine stall every now and then and www.justanswer.com

chevy 1997 fuel gitting vortec fire silverado then amedee start computer justanswer

SOLVED: 2003 Chevy Truck.after It Sets All Day Or - Fixya

SOLVED: 2003 chevy truck.after it sets all day or - Fixya www.fixya.com

jonathan dec

Starting Problem: 1991 Chevy 3500 W/ 454. Intermittant Problem

Starting Problem: 1991 Chevy 3500 W/ 454. Intermittant Problem www.2carpros.com

problem starting

1989 GMC SLE TBI 350 5.7 Runs Terrible When Hook To Computer Page5

1989 GMC SLE TBI 350 5.7 Runs terrible when hook to computer Page5 forums.superchevy.com

1989 tbi chevy sle terrible gmc runs hook computer

1995 Gmc Sierra 2500 Wiring Diagram - Wiring Diagram

1995 Gmc Sierra 2500 Wiring Diagram - Wiring Diagram wiringdiagram.2bitboer.com

topkick autozone repairguide

I Have A 95 Chevy 4x4 That I Just Put An Engine In Out Of A 92 Chevy

I have a 95 Chevy 4x4 that I just put an engine in out of a 92 Chevy www.justanswer.com

chevy engine switch 4x4 truck c1500 wire ignition connector brake instrument

[DIAGRAM] 2001 Monte Carlo Ls Wiring Diagram FULL Version HD Quality

[DIAGRAM] 2001 Monte Carlo Ls Wiring Diagram FULL Version HD Quality infodiagramy.madrenaturacoop.it

1989 tbi chevy sle terrible gmc runs hook computer. Solved: 2003 chevy truck.after it sets all day or. 1995 gmc sierra 2500 wiring diagram