1993 jeep cherokee engine diagram

2002 Jeep Grand Cherokee Engine Diagram - Cars Wiring Diagram. 17 Pictures about 2002 Jeep Grand Cherokee Engine Diagram - Cars Wiring Diagram : 94 JEEP GRAND CHEROKEE: CHECK ENGINE..START AND RUN FOR A BIT THEN DIE, ALTERNATOR - NIPPONDENSO :: 1993 :: Jeep Cherokee (XJ) :: Jeep Cherokee and also 1997 Jeep Cherokee Engine Idle Issues: Ill Just Be Driving Along.

2002 Jeep Grand Cherokee Engine Diagram - Cars Wiring Diagram

2002 Jeep Grand Cherokee Engine Diagram - Cars Wiring Diagram yosalsero.blogspot.com

wrecked

[DIAGRAM] 2001 Jeep Grand Cherokee 4 7 Engine Diagram FULL Version HD

[DIAGRAM] 2001 Jeep Grand Cherokee 4 7 Engine Diagram FULL Version HD geinokaigi.xyz

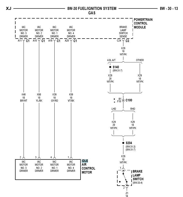
engine vents

1989 Cherokee Engine Photos?

1989 Cherokee engine photos? www.jeepz.com

ALTERNATOR - NIPPONDENSO :: 1993 :: Jeep Cherokee (XJ) :: Jeep Cherokee

ALTERNATOR - NIPPONDENSO :: 1993 :: Jeep Cherokee (XJ) :: Jeep Cherokee jeep-manual.ru

alternator jeep cherokee wiring diagram 1993 grand manual schematic nippondenso xj test circuit ru

1997 Jeep Cherokee Engine Idle Issues: Ill Just Be Driving Along

1997 Jeep Cherokee Engine Idle Issues: Ill Just Be Driving Along www.2carpros.com

cherokee jeep engine 1997 idle issues

Jeep Grand Cherokee 1993-1998: How To Replace Serpentine Belt

Jeep Grand Cherokee 1993-1998: How to Replace Serpentine Belt www.cherokeeforum.com

belt serpentine jeep cherokee routing pump water 1996 grand 2001 sport 1993 diagram 1998 liter replace changing xj why 0l

File: Jeep Cherokee Ecu Wiring Diagram

File: Jeep Cherokee Ecu Wiring Diagram vattenskotersafari.se

We Bought A Used Jeep It's A 1996 Jeep Cherokee Sport But Has A 1995

We bought a used jeep it's a 1996 Jeep Cherokee sport but has a 1995 www.justanswer.com

jeep 87df 4b98 a64f

I Have A 1988 Jeep Cherokee Pioneer That Is Having Problems Starting

I have a 1988 Jeep Cherokee Pioneer that is having problems starting www.justanswer.com

jeep cherokee 1988 starter starting pioneer problems having

1999 Cherokee Will Crank But Not Start. - Jeep Cherokee Forum

1999 Cherokee Will crank but not start. - Jeep Cherokee Forum www.cherokeeforum.com

crank

Ecu Problem?: Rebuilt Alternator Failed 4 Times Is Alternator

Ecu Problem?: Rebuilt Alternator Failed 4 Times Is Alternator www.2carpros.com

alternator 2carpros schematic terminal

ENGINE OVERHAUL PROCEDURES - GENERAL INFORMATION :: 2001 :: 1993

ENGINE OVERHAUL PROCEDURES - GENERAL INFORMATION :: 2001 :: 1993 jeep-manual.ru

jeep 2001 manual cherokee pump oil engine ru

Needing A Engine Wiring Diagram! - Jeep Cherokee Forum

Needing a engine wiring diagram! - Jeep Cherokee Forum www.cherokeeforum.com

xj cableado electrico oxigeno needing apaga

23 Jeep 4 0 Engine Parts Diagram - Wiring Diagram Niche

23 Jeep 4 0 Engine Parts Diagram - Wiring Diagram Niche dominicluta.blogspot.com

xj yj renix diagnostic

Wiring Diagram: 10 2000 Jeep Grand Cherokee Fuse Box Diagram

Wiring Diagram: 10 2000 Jeep Grand Cherokee Fuse Box Diagram melissappos.blogspot.com

cherokee fuse jeep grand box 1999 panel 2004 diagram 2000 fuses relays legend throughout fusesdiagram

94 JEEP GRAND CHEROKEE: CHECK ENGINE..START AND RUN FOR A BIT THEN DIE

94 JEEP GRAND CHEROKEE: CHECK ENGINE..START AND RUN FOR A BIT THEN DIE www.justanswer.com

jeep cherokee engine grand diagram starter 2001 parts wiring 1993 crank 2000 cyl start bit run need location sensor 2009

1990 Jeep Cherokee V6 Engine Diagram

1990 Jeep Cherokee V6 Engine Diagram gravidaaos15b.blogspot.com

laredo v6

1989 cherokee engine photos?. 94 jeep grand cherokee: check engine..start and run for a bit then die. I have a 1988 jeep cherokee pioneer that is having problems starting