1993 lt1 engine diagram

1993 Camaro LT1 Wiring Harness Information. 17 Images about 1993 Camaro LT1 Wiring Harness Information : 93 LT1 corvette, code - C12 & H16 will not start/run, no spark., Service Advisor: “Pouring” Over GM’s LT1 Engine and its Reverse Flow and also Need vacuum diagram 1993 LT1 - LS1TECH - Camaro and Firebird Forum.

1993 Camaro LT1 Wiring Harness Information

1993 Camaro LT1 Wiring Harness Information www.lt1swap.com

wiring diagram lt1 ignition firing order optispark camaro engine chevrolet chevy system harness 1993 fuel wire ls lt1swap fuse spark

1996 Lt1 Engine Diagram - 4th Gen Lt1 F Body Tech Aids Drawings

1996 Lt1 Engine Diagram - 4th Gen Lt1 F Body Tech Aids Drawings doworking.blogspot.com

lt1 wholesalegmpartsonline exploded fuel firebird epc

Urgent Need Help With Hose PIC - LS1LT1 Forum : LT1, LS1, Camaro

Urgent need help with hose PIC - LS1LT1 Forum : LT1, LS1, Camaro www.ls1lt1.com

hose lt1 engine camaro need ls1 firebird trans am help replacement l99

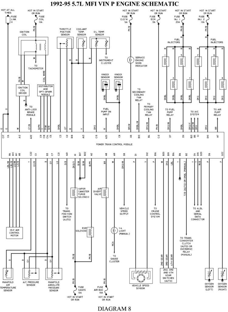
92 To 94 5.7L LT1 Engine Diagram Vin P Photo By Waynep712 | Photobucket

92 To 94 5.7L LT1 Engine Diagram Vin P Photo by waynep712 | Photobucket s1207.photobucket.com

diagram lt1 corvette engine vin 7l diagrams waynep712 photobucket

Lt1 Engine Wiring Diagram - Wiring23

Lt1 Engine Wiring Diagram - Wiring23 wiring-23.blogspot.com

wiring

4th Gen LT1 F-Body Tech Aids-Drawings & Exploded Views

4th Gen LT1 F-Body Tech Aids-Drawings & Exploded Views shbox.com

diagram chevy engine silverado grand radiator am parts pontiac 2001 wiring exploded 1995 drawing 1993 diagrams hose lt1 hoses drawings

1993 Camaro LT1 Wiring Harness Information

1993 Camaro LT1 Wiring Harness Information lt1swap.com

harness lt1 engine speedometer wiring clean questions few quick lt1swap correction slp instructions box need camaro 1993 wire pcm ls1tech

Lt1 Firing Order Diagram

Lt1 Firing Order Diagram schematron.org

lt1 order firing diagram spark plug optispark wiring wire am trans 1997 firebird routing opti harness ground underhood engine engines

Lt6 Engine Diagram Wiring In 2020 | Diagram, Wire, Engineering

Lt6 Engine Diagram Wiring in 2020 | Diagram, Wire, Engineering www.pinterest.com

lt6 lt8 mariner bancait

1992-1993 Chevy Corvette C4 LT1 Air Intake Duct Used OEM 25099598

1992-1993 Chevy Corvette C4 LT1 Air Intake Duct Used OEM 25099598 www.ebay.com

corvette intake air lt1 1993 c4 chevy duct 1992 valve oem gm parts diagram engine system hose enlarge thumbnails control

Need Vacuum Diagram 1993 LT1 - LS1TECH - Camaro And Firebird Forum

Need vacuum diagram 1993 LT1 - LS1TECH - Camaro and Firebird Forum ls1tech.com

routing hose pcv vacuum diagram lt1 valve emission z28 line system 96 1993 need engine camaro ls1 95 run fuel

Service Advisor: “Pouring” Over GM’s LT1 Engine And Its Reverse Flow

Service Advisor: “Pouring” Over GM’s LT1 Engine and its Reverse Flow www.tomorrowstechnician.com

diagram lt1 flow engine throttle body system reverse cooling chevy gm heads cooler technology pouring prevail feature tech block v8

[DIAGRAM] 1996 Lt1 Engine Wiring Diagram FULL Version HD Quality Wiring

[DIAGRAM] 1996 Lt1 Engine Wiring Diagram FULL Version HD Quality Wiring cflwiring.amicidelpresepionapoli.it

lt1 camaro

[DIAGRAM] Gm Lt1 Engine Diagram

[DIAGRAM] Gm Lt1 Engine Diagram powerdiagram.blogspot.com

lt1

Lt7 Engine Diagram Guide | Engine Diagram, Diagram, Wiring Diagram

Lt7 Engine Diagram Guide | Engine diagram, Diagram, Wiring diagram www.pinterest.com

lt50 miniquad cilinder motorfietsen

93 LT1 Corvette, Code - C12 & H16 Will Not Start/run, No Spark.

93 LT1 corvette, code - C12 & H16 will not start/run, no spark. www.justanswer.com

corvette lt1 1993 wiring distributor ignition chevy spark system gm start cylinder load power justanswer replace visual looks

95 Lt1 Engine Diagram - Wiring Diagram Networks

95 Lt1 Engine Diagram - Wiring Diagram Networks kelvin-okl.blogspot.com

lt1 diagram wiring engines chevy building

92 to 94 5.7l lt1 engine diagram vin p photo by waynep712. [diagram] gm lt1 engine diagram. Routing hose pcv vacuum diagram lt1 valve emission z28 line system 96 1993 need engine camaro ls1 95 run fuel