1997 328is engine wiring harness

I have a 1997 BMW 328IC. It had a short in wiring harness which I. 14 Images about I have a 1997 BMW 328IC. It had a short in wiring harness which I : I have a 1997 BMW 328IC. It had a short in wiring harness which I, E30GTR-WIRING STARTED and also I am looking for an emissions electrical wiring diagram for a 1995 BMW.

I Have A 1997 BMW 328IC. It Had A Short In Wiring Harness Which I

I have a 1997 BMW 328IC. It had a short in wiring harness which I www.justanswer.com

bmw harness wiring 1997 rewired

Repair Guides

Repair Guides www.autozone.com

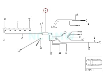
e34

E46 Fsu Wiring Diagram

E46 Fsu Wiring Diagram weloveothers.blogspot.com

e46 e36 e39 fsu pdc m3 schaltplan harnes

328i Wiring Harnes - Fuse & Wiring Diagram

328i Wiring Harnes - Fuse & Wiring Diagram fusewiring.blogspot.com

328i harnes 325i 330i e91 323i

1998 Bmw 328i Engine Wiring Diagram - Espressorose

1998 Bmw 328i Engine Wiring Diagram - espressorose espressorose.blogspot.com

328i wiring

1997 BMW 328i - Intake Manifold Sensor Question. Does The Vacuum

1997 BMW 328i - intake manifold sensor question. Does the vacuum www.justanswer.com

328i

E30GTR-WIRING STARTED

E30GTR-WIRING STARTED newman.onyxsyndicate.com

wiring engine e30gtr e36 rb26dett started lots

I Am Looking For An Emissions Electrical Wiring Diagram For A 1995 BMW

I am looking for an emissions electrical wiring diagram for a 1995 BMW www.justanswer.com

wiring diagram 1995 bmw

I'm Looking For A Wiring Diagram For A 1998 323, 6cyl. The Car Isn't

I'm looking for a wiring diagram for a 1998 323, 6cyl. The car isn't www.justanswer.com

wiring 1998 diagram bmw looking 323ic hi internal88 starter

M52B28 Engine - R3VLimited Forums

M52B28 Engine - R3VLimited Forums www.r3vlimited.com

engine

328i Wiring Harnes - Fuse & Wiring Diagram

328i Wiring Harnes - Fuse & Wiring Diagram fusewiring.blogspot.com

328i harnes 525xi 528i

| Repair Guides | Wiring Diagrams | Wiring Diagrams | AutoZone.com

| Repair Guides | Wiring Diagrams | Wiring Diagrams | AutoZone.com www.autozone.com

autozone e36

328i Wiring Harnes - Wiring Diagram Networks

328i Wiring Harnes - Wiring Diagram Networks kelvin-okl.blogspot.com

328i harnes

E46 Fsu Wiring Diagram

E46 Fsu Wiring Diagram weloveothers.blogspot.com

e46 fsr bimmerfest fsu

328i harnes. E30gtr-wiring started. I'm looking for a wiring diagram for a 1998 323, 6cyl. the car isn't