1997 chevy astro engine diagram

chevy astro I have a 1996 chevy astro that I removed the engine. 18 Images about chevy astro I have a 1996 chevy astro that I removed the engine : 30 Chevy Astro Vacuum Line Diagram - Wiring Database 2020, Have a 1997 gmc safari van that has a broken vaccuum line. the line and also I need ac/heat mech for astro 1997... diagram for routing ac vacuum.

Chevy Astro I Have A 1996 Chevy Astro That I Removed The Engine

chevy astro I have a 1996 chevy astro that I removed the engine www.justanswer.com

astro chevy 1996 engine repair rear awd drive wheel safari removed system fuel 3l frame guide mounting

1997 4.3 Astro Van. I Have No Heat To The Rear Heater. Is There A Valve

1997 4.3 astro van. I have no heat to the rear heater. Is there a valve www.justanswer.com

heater astro blower motor van valve rear heat 1997 diagram control location chevy water vacuum 1998 fan actuator astrovan found

Have A 1997 Gmc Safari Van That Has A Broken Vaccuum Line. The Line

Have a 1997 gmc safari van that has a broken vaccuum line. the line www.justanswer.com

astro van gmc safari hose 1997 1996 ac vacuum gm chevy chevrolet system schematic line cold engine hoses hood vaccuum

1994 Chevy Astro Van Fuse Diagram | Wiring Diagrams | Chevrolet

1994 Chevy Astro Van Fuse Diagram | Wiring Diagrams | Chevrolet www.pinterest.com

fuse savana autogenius wiringall

I Have A 2003 Chev Astro Van. For A Few Days The A/c Would Stop Blowing

I have a 2003 Chev Astro Van. For a few days the a/c would stop blowing www.justanswer.com

astro 2003 chevy diagram vacuum van engine control relay would where blowing stop fan

I Am The Owner Of A 2000 Chevy Astro Van, 6 Cylinder (W Engine Type). I

I am the owner of a 2000 Chevy Astro Van, 6 cylinder (W engine type). I www.justanswer.com

chevy distributor astro van 2002 vortec intake justanswer engine cylinder 2000 remove replaced rotor coil

Firstclassengines.com - 2003 Chevy Astro Engines

firstclassengines.com - 2003 Chevy Astro Engines firstclassengines.com

firstclassengines

I Need Ac/heat Mech For Astro 1997... Diagram For Routing Ac Vacuum

I need ac/heat mech for astro 1997... diagram for routing ac vacuum www.justanswer.com

vacuum line astro chevy diagram 1998 1997 ac lines 2003 routing air conditioning vents van vaccum controls vortec gm need

1993 Chevy Astro W Big V6 - All Of A Sudden Won't Start For 1st Time In

1993 Chevy Astro w big v6 - all of a sudden won't start for 1st time in www.justanswer.com

chevy astro turns 1993 v6 engine start sudden fires

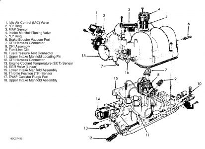
[DIAGRAM] 97 Astro 4 3 Engine Bolt Diagram FULL Version HD Quality Bolt

[DIAGRAM] 97 Astro 4 3 Engine Bolt Diagram FULL Version HD Quality Bolt bpmndiagrams.gtve.it

vortec replaced u0026

1993 Chevy Astro W Big V6 - All Of A Sudden Won't Start For 1st Time In

1993 Chevy Astro w big v6 - all of a sudden won't start for 1st time in www.justanswer.com

astro chevy gmc engine 1993 safari 1992 start fuel v6 battery turns pump fuse gm blows instantly kick sudden fires

1997 Chevy Suburban Spark Plug Wiring Diagram - Wiring Diagram

1997 Chevy Suburban Spark Plug Wiring Diagram - Wiring Diagram wiringdiagram.2bitboer.com

suburban k2500 lt9500

30 Chevy Astro Vacuum Line Diagram - Wiring Database 2020

30 Chevy Astro Vacuum Line Diagram - Wiring Database 2020 rachelleogyaz.blogspot.com

intended bakkie zd30 urvan

Engine 1995 Chevy Astro 4.3L VIN W 8Th Dgt AWD Crank Sensor In Timing

Engine 1995 Chevy Astro 4.3L VIN W 8Th Dgt AWD Crank Sensor In Timing www.resourceautoparts.com

astro engine chevrolet 1995 timing chevy awd 3l crank vin dgt 8th sensor

1995 Chevy Astro Idle Problems: Engine Performance Problem 1995

1995 Chevy Astro Idle Problems: Engine Performance Problem 1995 www.2carpros.com

chevy blazer 1995 engine astro s10 problems idle diagram hose van 95 chevrolet 2carpros same email sponsored links exploded

1993 Chevy Astro W Big V6 - All Of A Sudden Won't Start For 1st Time In

1993 Chevy Astro w big v6 - all of a sudden won't start for 1st time in www.justanswer.com

pump fuel chevy astro van blazer 1993 1992 1994 g30 unit sending replace engine v6 tank ac assembly diagram yukon

1996 Chevy 1500 Wiring Diagram | Fuse Box And Wiring Diagram

1996 Chevy 1500 Wiring Diagram | Fuse Box And Wiring Diagram stickerdeals.net

diagram wiring chevy 1500 1996 1997 chevrolet astro cluster van instrument pertaining automotive fuse diagrams box

Diagram Of An Engine For A 2000 Chevy Astro Van

diagram of an engine for a 2000 chevy astro van fahyso.vacau.com

astro chevy diagram 2000 van engine forums diy

[diagram] 97 astro 4 3 engine bolt diagram full version hd quality bolt. Astro 2003 chevy diagram vacuum van engine control relay would where blowing stop fan. Chevy distributor astro van 2002 vortec intake justanswer engine cylinder 2000 remove replaced rotor coil