1998 legacy engine wiring harness

2000 Subaru Legacy L Wiring Diagram - Cars Wiring Diagram Blog. 15 Pics about 2000 Subaru Legacy L Wiring Diagram - Cars Wiring Diagram Blog : 44 21 Circuit Wiring Harness Diagram - Wiring Diagram Source Online, Subaru Wiring - Complete Wiring Schemas and also painless wiring harness | Page 2 | GBodyForum - 1978-1988 General.

2000 Subaru Legacy L Wiring Diagram - Cars Wiring Diagram Blog

2000 Subaru Legacy L Wiring Diagram - Cars Wiring Diagram Blog wiringdiagram-blog.blogspot.com

brz fuse forester stereo

| Repair Guides | Wiring Diagrams | Wiring Diagrams | AutoZone.com

| Repair Guides | Wiring Diagrams | Wiring Diagrams | AutoZone.com www.autozone.com

diagrams wiring autozone fig odyssey schematic chassis power

2000 Subaru Legacy Wiring Harness VW Conversion - YouTube

2000 Subaru Legacy Wiring Harness VW Conversion - YouTube www.youtube.com

wiring subaru harness vw conversion

Subaru Wiring - Complete Wiring Schemas

Subaru Wiring - Complete Wiring Schemas wiring89.blogspot.com

subarupartsdeal

2012 Subaru Wiring Diagram Free - Wiring Diagrams

2012 Subaru Wiring Diagram Free - Wiring Diagrams cars-wiringdiagram.blogspot.com

forester outback diagrams imageservice wire wholefoodsonabudget pinout wiringg coil merged tankbig

I Have A 1995 Subaru Legacy Wagon. Thanks To Some Mice Chewing The

I have a 1995 Subaru Legacy wagon. Thanks to some mice chewing the www.justanswer.com

subaru legacy 1995 wiring diagram reverse lights put justanswer wagon

Repair Guides

Repair Guides www.autozone.com

wiring repair diagrams guide subaru fig 1992 models body

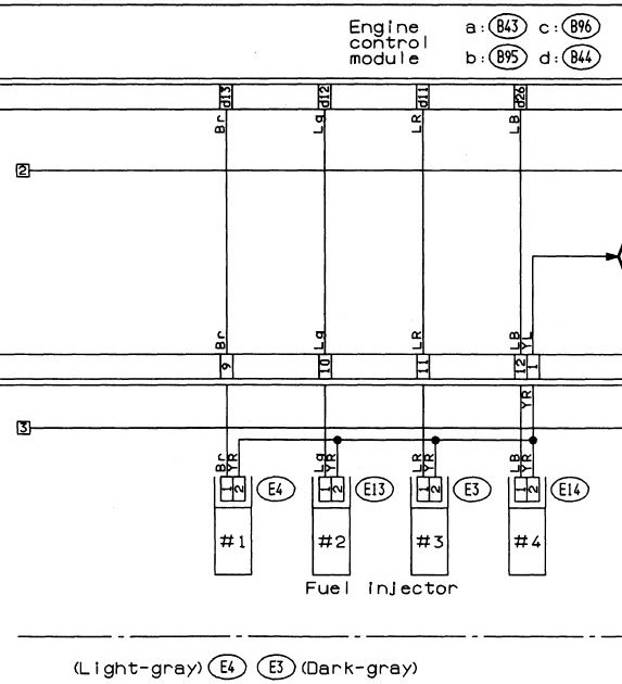
Subaru Injector Wiring Diagram - Complete Wiring Schemas

Subaru Injector Wiring Diagram - Complete Wiring Schemas wiring89.blogspot.com

injector

Amazon.com: APDTY 028142 Knock Sensor W/Wiring Harness Pigtail

Amazon.com: APDTY 028142 Knock Sensor w/Wiring Harness Pigtail www.amazon.com

knock subaru sensor legacy 2002 connector outback impreza 1999 forester pigtail uxcell replacement

Painless Wiring Harness | Page 2 | GBodyForum - 1978-1988 General

painless wiring harness | Page 2 | GBodyForum - 1978-1988 General gbodyforum.com

painless gbodyforum

1998 Subaru Outback Engine Diagram - Wiring Diagrams

1998 Subaru Outback Engine Diagram - Wiring Diagrams cars-wiringdiagram.blogspot.com

valve vent subaru outback diagram desperately need help forums 1998 engine wiring problems filling diagrams subaruoutback

1993 Subaru Legacy Wiring To Battery - Wiring Diagram Schema

1993 Subaru Legacy Wiring To Battery - Wiring Diagram Schema kiona-machit.blogspot.com

wiring 1993 battery

44 21 Circuit Wiring Harness Diagram - Wiring Diagram Source Online

44 21 Circuit Wiring Harness Diagram - Wiring Diagram Source Online apiccolisogni.blogspot.com

Subaru Wiring - Complete Wiring Schemas

Subaru Wiring - Complete Wiring Schemas wiring89.blogspot.com

[DIAGRAM] 1998 Subaru Legacy Electrical Diagrams FULL Version HD

[DIAGRAM] 1998 Subaru Legacy Electrical Diagrams FULL Version HD geinokaigi.xyz

electrical honeywell forester

44 21 circuit wiring harness diagram. I have a 1995 subaru legacy wagon. thanks to some mice chewing the. Valve vent subaru outback diagram desperately need help forums 1998 engine wiring problems filling diagrams subaruoutback